|
0引言
目前市场上有很多无线遥控产品出售,质量参差不齐,有些还使用LC振荡器,频率漂移严重,性能不好。本文介绍一种性能稳定、价格便宜的无线遥控组件。该模块工作频率为315MHz,采用声表谐振器SAW稳频,器频率稳定度极高,当环境温度在一25℃-+85℃之间变化时,频飘仅为3ppm/度。它与编解码集成PT2622/PT2722配套使用时,可以实现遥控、遥测、数据采集、生物信号采集等功能。
1 PT2262/2272
编码芯片PT2262/2272是台湾普城公司生产的CMOS工艺制造的低功耗低价位通用编码/解码电路,是一对带地址、数据编码功能的无线遥控发射/接收芯片。
发射芯片PT2262将载波振荡器、编码器和发射单元集成于一身,使发射电路变得非常简洁。它工作电压范围宽(-15V-2.6V),其中A0一A1l为地址管脚,用于进行地址编码,可置为“0”,“1”或“f”(悬空)。DO-D5为数据输入端,有一个为“1”即有编码发出,内部下拉。TE为编码启动端,低电平有效。OSCl、OSC2分别为振荡电阻的输入和输出端,外接电阻决定振荡频率。设定的地址码和数据码从17脚串行输出,平时为低电平,可以直接调制发射模块发射信号。
PT2272通常有L4、L6和M4等后缀输出形式。L4、L6是4路和6路自锁存输出,M4则是四路非锁定输出。而锁存功能是指,当发射信号消失时,PT2272的数据输出端仍保持原来的状态,直到下次接收到新的信号输入。PT2272的非锁存功能是指当发射信号消失时,PT2272的对应数据输出位即变为低电平即数据脚输出的电平是瞬时的,而且和发射端是否发射相对应,可用以类似点动的控制。
2四路遥控器的工作原理
2.1发射部分
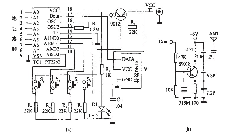
发射部分电路原理图如图1中(a)所示。

图1 发射部分电路原理图
该部分电路主要由315MHz无线数据发射模块和编码集成PT2262组成。该无线发射模块原理图如图1中(b)所示,它具有较宽的工作电压范围3-12V,当电压变化时发射频率基本不变,和发射模块配套的接收模块无需任何调整就能稳定地接收。当发射电压为3V时,空旷地传输距离约20-50m,发射功率较小;当电压5V时约100-200m)当电压9V时约300-500m;当发射电压为12V时,为最佳工作电压,具有较好的发射效果,发射电流约60毫安,空旷地传输距离700-800m,发射功率约500mW.当电压大于12V时功耗增大,有效发射功率不再明显提高。发射模块采用ASK方式调制,以降低功耗。当数据信号停止时发射电流降为零,数据信号与DF发射模块输入端可以用电阻或者直接连接而不能用电容耦合,否则DF发射模块将不能正常工作。数据电平应接近DF数据模块的实际工作电压,以获得较高的调制效果。
平时没有按按钮时,三极管Q截止,编码集成ICl处于断电状态,无线数据发射模块没有发射信号。当按钮S1一s4任何一个按下时,三极管Q1导通,编码集成ICI开始工作,它根据数据输入端Do-D3的电平进行编码,编码信号由:地址码、数据码、同步码组成一个完整的码字。该编码信号经无线数据发射模块V1进行调制后经天线发射到周围的空间。如果按钮一直按住则发射模块连续发射无线信号。当编码集成ICI(PT2262)第17脚为低电平期间315MHz的高频发射电路停止振荡,所以高频发射电路完全受控于PT2262的17脚输出的数字信号,从而对高频电路完成幅度键控(ASK调制)相当于调制度为100%的调幅。
2.2接收部分
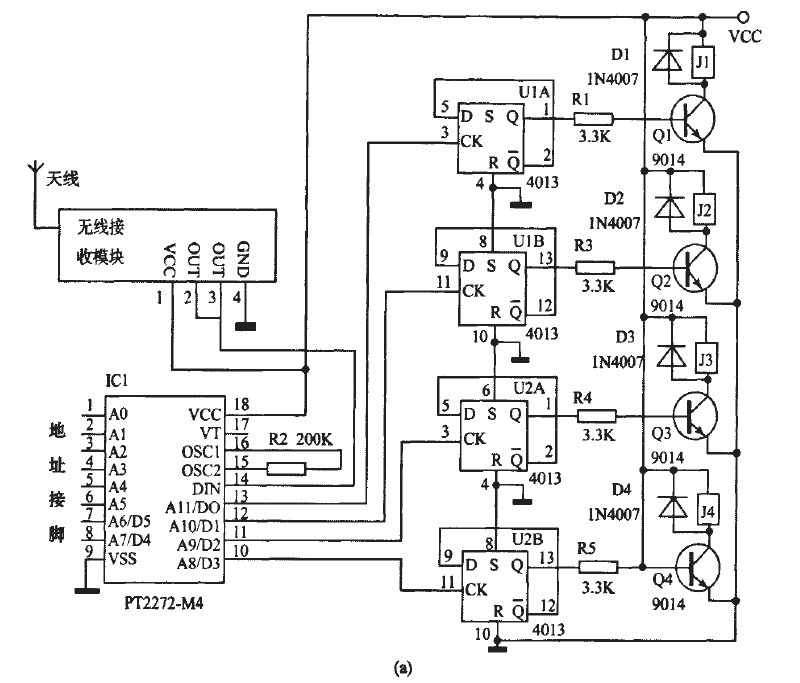
接收部分的电路原理图如图2中(a)所示。


图2接收部分电路原理图。
该部分电路主要由315MHz无线数据接收模块、解码集成PT2272,D触发器4013和继电器电路组成。
315MHz无线数据接收模块有超再生式接收模块和超外差式接收模块两种,超再生和超外差电路性能各有优缺点。超再生式接收模块接收灵敏度为-105dBm,抗干扰能力差,频率受温度漂移大,采用带骨架的铜芯电感将频率调整到315MHz后封固,这与采用可调电容调整接收频率的电路相比,温度、湿度稳定性及抗机械振动性能都有极大改善。超外差式接收模块抗干扰能力较强,自身辐射极小,背面有网状接地铜箔屏蔽,可以减少自身振荡的泄漏和外界干扰信号的侵入;输出端的波形在没有信号时比较干净,干扰信号为短暂的针状脉冲,不象超再生式接收电路会产生密集的噪声波形,但近距离强信号时可能有阻塞现象。
本制作使用后缀为M4的PT2272解码芯片(PT2272一M4)。PT2272工作电压为5V,其中A0一A11为地址管脚,用于进行地址编码,可置为“0”,“1”或叩‘(悬空),但必须与PT2262一致,否则不解码。D0--D3为数据管脚,当地址码与PT2262一致时,数据管脚输出与PT2262数据端对应的高电平,锁存型只有在接收到下一数据时才能转换。DIN为数据信号输入端,来自接收模块输出端。OSCl、OSC2分别为振荡电阻的输入和输出端,外接电阻决定振荡频率。VT为解码有效确认端,高电平有效。
平时无线接收模块D1没有接收到空间的315MHz信号时,输出的只是干扰信号,解码集成PT2272一M4(ICl)输出端DO-D3均为低电平。
当无线接收模块收到空间的315MHz信号时,经放大、变频、滤波等处理后输出控制信号,送到解码集成ICl第14脚进行解码。只有PT2272的地址端的电平状态与发射部分的PT2262的地址端一致时,对应的数据端才有高电平输出。本制作的地址为FFFFFF,即全部悬空,制作时也可以改变自己决定地址码,最重要就是不要相互干扰。由D触发器4013构成的双稳态电路,当输入端CK为上升沿时输出端Q翻转,输出的电平通过控制继电器的断通,从而控制用电器的工作状态。

图3接收部分用PT2272L4的电路图。
将图2(a)中的PT2272--M4改为PT2272--L4,则四路输出就有非锁状态变为自锁定状态。在这种情况下,怎么才能实现将其中的某路输出由自锁定状态变为非自锁定状态变呢?如图3所示,由于接收指示端第17脚只有接收解码正确才输出为高电平,发射机不工作时它转为低电平。编码信号发射时,13脚锁定输出离电平,17脚同时为商电平,D5截止,13脚的输出接飚为高电平输出;当编码发射器停止发射时,译码器没有接收翻正确信号,虽然13脚已锁定成了高电平,但17脚融转为低电平,使二极管D5正偏导通,将13脚经R?输出的高魄乎下拉为0.7V以下,D用锗二极管2AP9则输出电平更低。
所以输出接口在未解码时就为低电平输出了,即为非镂状态。所以如果将蚕2(a)中酶PT2272--M4改为Pr2272~L4,相应的将原理网图2(a)改为图3,也能实现同样的功能,即四路非锁状态。如果将某一路改为蠢锬状态,将耀应的二极管去掉帮霹。铡如,去掉D5,就将PT2272--L4的第13脚的非自锁定输出改为锬定输出。
3安装与调试
该电路使用DF无线数据收发模块和编解码集成PT2262/PT2272一M4.接收部分T1为6V电源,电器可戮报据控翩电器鹣功率选用不同豹燮号。其他元器件没有特别要求。将元件牢固、无误地焊接在根据原理图刻制的线路板上,连接好线路板和无线发射/接收模块之闻的电源线和信号线酃可。
电路制作好詹,确认无误就可以接逶电源调试,先不用接用电器,按发射部分的按钮,如果听到继电器动作可靠,再接上用电器,这时如果继电器质量完好一般都霹泼正常工作。
发射部分电路为了减少体积,可以使用钮扣电池或者遥控器专用电池。电压不同遥控的距离也不同。接收部分电路可以装在塑料盒内,四个继电器就是四个开关,这样就翩成了四路遥控开关。
|