|
Allegro MicroSystems公司的A5950是脉宽调制(PWM)控制的直流马达驱动器,峰值电流高达±3 A,工作电压高达40V,内部保护电路包括过流保护,马达线对地或对电源保护,带滞后的热关断,VBB欠压监视和过流保护,故障输出.本文介绍了A5950主要特性和优势,功能框图以及A5950EU(QFN封装)演示板和A5950LP(eTSSOP封装)演示板的电路图,材料清单和PCB设计图.
Designed for pulse-width-modulated (PWM) control of DCmotors, the A5950 is capable of peak output currents up to±3 A and operating voltages up to 40 V.
Input terminals are provided for use in controlling the speed anddirection of a DC motor with externally applied PWM controlsignals. Internal synchronous rectification control circuitry isprovided to lower power dissipation during PWM operation.
Internal circuit protection includes overcurrent protection,motor lead short to ground or supply, thermal shutdown withhysteresis, undervoltage monitoring of VBB, and crossovercurrentprotection.
The A5950 is supplied in a low-profile 4 mm×4 mm 16-contactQFN (suffix “EU”) package with wettable flank option (suffix“-P”),or a 16-lead eTSSOP (suffix “LP”),all three with exposedpower tab for enhanced thermal performance.
A5950主要特性和优势:
• Overcurrent protection (OCP)
• Motor lead short-to-ground protection
• Motor lead short-to-battery protection
• Motor short protection
• Low-power standby mode
• Fault output
• Adjustable current limit option
• Current-to-voltage output
• Synchronous rectification – high-side
• Internal UVLO
• Crossover-current protection
• Thermal warning and shutdown function
• AEC-Q100 Grade 1 qualified – K version

图1.A5950功能框图

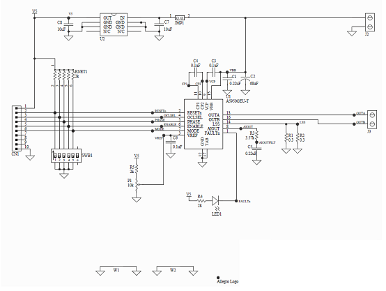
图2.A5950EU(QFN封装)演示板电路图
A5950EU(QFN封装)演示板材料清单:


图3.A5950EU(QFN封装)演示板PCB设计图

图4.A5950LP(eTSSOP封装)演示板电路图
A5950LP(eTSSOP封装)演示板材料清单:


图5.A5950LP(eTSSOP封装)演示板PCB设计图
|