USB-C接口正在彻底改变电子设备的充电方式。USB-C连接线无论哪一端都能连接智能手机或超级本。物理上,C型连接器既是双向的(无论线缆的哪一端都能插入两头的设备),也是无极性的(连接器插入时可以正面朝上,也可以反面朝上)。在协商过程中,连接系统可以电子地分辨出电极性。除了数据传输,USB-C还能支持更高功率水平的双向功率传输。默认电压为5V,USB-C端口能够与插入的设备协商,在双方同意的电流水平上,将端口电压提高到20V,或双方同意的其他电压值。USB-C端口提供的最大功率为100W(20V/5A),这用来给笔记本电脑充电已经绰绰有余了。优势如此明显,也就不难理解为什么电子设备制造商纷纷在其下一代产品中采用USB-C了。
随着USB PD和USB-C得到越来越多的采用,计算机行业对稳压器的性能提出了明显更高的要求。与电压值固定的传统USB-A和USB-B端口相比,USB-C端口是双向的,接受可变输入电压,输出电压范围为5V至20V。其可调节输出电压允许笔记本电脑和其他移动设备用USB-C端口替代传统AC/DC电源适配器和USB-A和B端子。考虑到这些优势,一些客户在其系统中设计了两个或多个USB-C端口。
不过,目前具有两个或多个USB-C端口的系统架构很复杂,不能满足很多客户的要求。本白皮书提出了一种全新的系统架构,该架构采用Intersil的ISL95338降压-升压稳压器和ISL95521A组合式电池充电器。我们将讨论这种架构如何简化设计,并全面支持所有USB-C功能。我们还将说明这种架构如何应用到适配器端,以实现可编程电源(PPS),这种电源可以输出可调节电压,以匹配USB-C的可变输入电压。
一种新的USB-C架构
图1显示了一种新的USB-C架构,该架构由ISL95338双向降压-升压稳压器和ISL95521A组合式电池充电器或ISL9238降压-升压电池充电器组成。这种新架构允许系统通过USB-C端口给电池充电,当两个PD充电器插入USB-C_1和USB-C_2时,还支持快速充电功能。无需额外复杂的端口控制逻辑电路或IC,该架构的两个端口就可全面支持USB 3.1 On-The-Go(OTG)。

图1. Intersil电池充电器架构 – 双USB-C端口,采用两个降压-升压稳压器和一个降压充电器
USB-Type-C:USB-C端口
Bi-directional:双向
2 & 3-cell Li-ion:2或3节锂离子电池
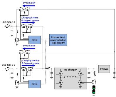
比较图1和图2很容易看出,要实现与Intersil电池充电器架构相同的功能和性能水平,市场上现有的电池充电器架构需要更多器件和复杂的外部电路。显然,使用现有的电池充电系统,每个充电器通路都需要一个USB-PD控制器来控制2个ASGATE并执行充电功能,这提高了设计的系统成本。为了实现5V降压OTG,OTG门还需要一个PD控制器。注意,现有的降压转换器只能输出单一固定电压。图2显示,如果使用5V降压转换器,设计工程师只能输出一个固定5V电压,这与很多USB-C应用要求的可调5V-20V OTG输出电压不匹配。

图2. 现有电池充电器架构 - 单一降压-升压充电器+复杂的外部逻辑电路
USB-Type-C 1:USB-C端口1
5V OTG only:仅5V OTG
Charging battery & Support system:充电电池和支持系统
External input power selection logic circuitry:用于选择外部输入电源的逻辑电路
BB charger:降压-升压充电器
5V Buck:5V降压转换器
本文提出的Intersil架构克服了所有这些缺点。图1显示,两个ISL95338并联,将两个USB-C端口连接到ISL95521A电池充电器。简化了系统架构,为客户节省了大量成本,因为去掉了不少元件,包括各个PD控制器、ASGATE和OTG GATE。最重要的是,使用了更少的元件但并未降低性能。例如,如果电池需要充电,那么就直接从USB-C输入向ISL95521A供电。此外,将两个ISL95338并联,可为客户应用提供更多选择。