 |
|
| |
|
|
业务洽谈:
联系人:张顺平
手机:17727550196(微信同号)
QQ:3003262363
EMAIL:zsp2018@szczkjgs.com
联系人:鄢先辉
手机:17727552449 (微信同号)
QQ:2850985542
EMAIL:yanxianhui@szczkjgs.com
负责人联络方式:
手机:13713728695(微信同号)
QQ:3003207580
EMAIL:panbo@szczkjgs.com
联系人:潘波 |
|
|
| |
|
 |
|
 |
当前位置:首页 -> 技术分享 |
|
|
| TAS2770 20W数字输入D类音频放大器解决方案 |
|
|
| 文章来源:永阜康科技 更新时间:2018/7/12 15:41:00 |
|
TI公司的TAS2770是具有扬声器I/V检测的数字输入单声道20W输入D类音频放大器,在12.6V电压时能向4-Ω负载提供15.4W峰值功率,连续功率11.6W,THD+N小于0.03%,VBAT电压为4.5 V到16 V,主要用在平板电脑,蓝牙扬声器,家庭自动化和智能扬声器/物联网(IoT).本文介绍了TAS2770主要特性,框图,应用电路以及PC立体声音频参考设计TIDA-01572主要特性,框图,电路图,材料清单和PCB设计图.
The TAS2770 is a mono, digital input Class-D audioamplifier optimized for efficiently driving high peakpower into small loudspeakers. The Class-D amplifieris capable of delivering 15.4 W of peak power into a4-Ω load while sustaining 11.6 W continuously with less than 0.03 % THD+N at a battery voltage of 12.6V.
Integrated speaker voltage and current senseprovides for real time monitoring of loudspeakerbehavior. A battery tracking peak voltage limiter withbrown out prevention optimizes amplifier headroomover the entire charge cycle of 2S or 3S batterysystems.Up to eight devices can share a common bus viaeither I2S/TDM + I2C.
The TAS2770 device is available in a 26-pin, 0.4-mmpitch QFN for a compact PCB footprint.
TAS2770主要特性:
1• High-Performance Mono Class-D Amplifier
– 20-W at 1% THD+N (4 Ω, 16 V)
– 15.4-W at 1 % THD+N (4 Ω, 12.6 V)
– 9.1-W at 1 % THD+N (8 Ω, 12.6 V)
– 8.2-W at 1 % THD+N (4 Ω, 8.4 V)
– 4-W at 1 % THD+N (8 Ω, 8.4 V)
• 0.03 % THD+N at 1 W (4 Ω, VBAT = 12.6 V)
• 32-μVrms A-Weighted Idle Channel noise
• 90-dB PSRR with 200 mVPP Ripple at 20 - 20 kHz
• 82.5% Efficiency at 1 W (4 Ω, VBAT = 12.6 V)
• < 1 μA HW Shutdown VBAT Current
• 42 mW/63 mW Idle Dissipation (8.4 V/12.6 V)
• Speaker Voltage and Current Sense
• Real-Time Diagnostics Using I/V Speaker Sense
– Over Current
– Short Circuit(short to power, short to groundand terminal-to-terminal short)
– Over-Temperature
• VBAT Tracking Peak Voltage Limiter with BrownOut Prevention
• 44.1-kHz to 192-kHz Sample Rates
• Flexible User Interfaces
– I2S/TDM: 8 Channels (32-bit / 96 kHz)
– I2C: 8 selectable Addresses
• MCLK Free Operation
• Low Pop and Click
• Power Supplies
– VBAT: 4.5 V to 16 V
– AVDD: 1.8 V
• Spread-Spectrum Low EMI Mode
• Thermal and Over Current Protection
TAS2770应用:
• Laptop Computers
• Bluetooth Speakers
• Home Automation
• Smart Speakers/IoT

图1.TAS2770功能框图

图2.TAS2770典型应用电路图

图3.立体声EVM元件布局图
PC立体声音频参考设计TIDA-01572
This stereo audio subsystem produces higher qualityaudio over CODEC driver solutions in PC applicationsusing the TAS2770 device. This device enables theuse of a Smart Amp algorithm, which provides speakerprotection while maximizing the sound pressure level(SPL) by monitoring the physical conditions of thespeaker in real time. This design provides a workinglayout and design recommendations to enable a quickadaptation of this solution.
This stereo audio subsystem uses two TAS2770 devices for improved audio capabilities over CODECsolutions. The TAS2770 is highly configurable to various audio input formats and has integrated speakervoltage and current sensing, which can be used to determine the maximum audio signal whilesimultaneously protecting against thermal and mechanical failure mechanisms.
This design incorporates a simple power solution to provide the necessary rails to operate and interfacewith the TAS2770 device. The user is only required to provide VBAT with a supply ranging from 4.5 V to16 V.
For ease of use, this design incorporates an XMOS device, which allows for testing and developmentusing a USB interface. If desired, however, the board can be set to accept external I2C and I2S busconnections to test using another system, such as an audio analyzer.
After connecting the device to a PC running PurePath™ Console 3 with the TAS2770-specific application,the user can quickly and easily configure the device. Among the many features of the TAS2770 is abattery protection output limiter. This limiter controls the automatic gain control to help maintain a qualityaudio output while preventing excessive demand on the battery system. Brownout protection is alsoincluded to protect the system from failing due to potential demands generated by the audio system. Inaddition, the designer can configure the inter-chip limiter alignment (ICLA) to ensure that, while in amultichannel configuration, all the channels that are actively grouped together attack equally to maintainaudio continuity and balance.
参考设计TIDA-01572主要特性:
• High-Performance Class-D Amplifier SupportsWide VBAT Supply Range of 4.5 V to 16 V
• 15-W Continuous Power Into 4 Ω at 12.6 V(1% THD+N)
• Integrated Voltage and Current Sense forDiagnostics
• 32-μV Idle Channel Noise and Spread SpectrumLow-EMI Mode
• Supports I2S and SoundWire™ Inputs
• Small 26-Pin QFN (3.5 mm × 4 mm)
• Input Multiplexing Supporting Multiple InputSources
参考设计TIDA-01572应用:
• PC and Notebooks
• Wireless (BT) Speaker
• Thermostat
• Video Doorbell
• Video Communications System

图4.参考设计TIDA-01572外形图

图5.参考设计TIDA-01572框图

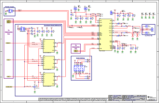
图6.参考设计TIDA-01572电路图(1)

图7.参考设计TIDA-01572电路图(2)

图8.参考设计TIDA-01572电路图(3)

图9.参考设计TIDA-01572电路图(4)

图10.参考设计TIDA-01572电路图(5)

图11.参考设计TIDA-01572电路图(6)

图12.参考设计TIDA-01572电路图(7)
参考设计TIDA-01572材料清单:


图13.参考设计TIDA-01572 PCB设计图(1):顶层丝印

图14.参考设计TIDA-01572 PCB设计图(2):顶层焊接模

图15.参考设计TIDA-01572 PCB设计图(3):顶层铜

图16.参考设计TIDA-01572 PCB设计图(4):铜层2

图17.参考设计TIDA-01572 PCB设计图(5):铜层3

图18.参考设计TIDA-01572 PCB设计图(6):底层铜

图19.参考设计TIDA-01572 PCB设计图(7):底层焊接模

图20.参考设计TIDA-01572 PCB设计图(8):底层丝印
|
|
| |
| |
|
|
|