 |
|
| |
|
|
业务洽谈:
联系人:张顺平
手机:17727550196(微信同号)
QQ:3003262363
EMAIL:zsp2018@szczkjgs.com
联系人:鄢先辉
手机:17727552449 (微信同号)
QQ:2850985542
EMAIL:yanxianhui@szczkjgs.com
负责人联络方式:
手机:13713728695(微信同号)
QQ:3003207580
EMAIL:panbo@szczkjgs.com
联系人:潘波 |
|
|
| |
|
 |
|
 |
当前位置:首页 -> 技术分享 |
|
|
| TPA3221 100W(立体声)200W(单路)HD音频D类放大器解决方案 |
|
|
| 文章来源:永阜康科技 更新时间:2018/11/23 10:03:00 |
|
TI公司的TPA3221是大功率D类放大器,具有带宽高达100kHz的闭环负反馈,提供音频带的低失真和极好的音频质量,器件工作在AD或低空载电流HEAD(高效AD模式)调制,能对4欧姆负载提供2x105W或对2欧姆负载提供1x208W功率.器件具有单端或差分模拟输入接口,四种可选择增益:18 dB, 24 dB, 30 dB和34 dB,主要用在无线和加电扬声器,条形音箱,超低音音箱,书架立体声系统和专业与公共地址(PA)扬声器.本文介绍了TPA3221主要特性,框图和系统框图,以及TPA3221评估模块主要特性,电路图,材料清单和PCB设计图.
TPA3221 is a high-power Class-D amplifier thatenables efficient operation at full-power, idle andstandby. The device features closed-loop feedbackwith a bandwidth up to 100 kHz, which provides lowdistortion across the audio band and deliversexcellent sound quality. The device operates witheither AD or low idle-current HEAD (High Efficient AD mode) modulation, and can drive up to 2 x 105 W into4-Ω load or 1 x 208 W into 2-Ω load.
The TPA3221 features a single-ended or differentialanalog-input interface that supports up to 2 VRMS withfour selectable gains: 18 dB, 24 dB, 30 dB and 34dB. The TPA3221 also achieves >90% efficiency, lowidle power (<0.25 W) and ultra-low standby power(<0.1 W). This is made possible through the use of70-mΩ MOSFETs, an optimized gate drive schemeand low-power operating modes. TPA3221 includes abuilt-in LDO for easy integration in single-powersupplysystems. To further simplify the design, thedevice integrates essential protection featuresincluding undervoltage, overvoltage, cycle-by-cyclecurrent limit, short circuit, clipping detection,overtemperature warning and shutdown, as well asDC speaker protection.
TPA3221主要特性:
• Wide 7-V to 30-V Supply Voltage Operation
• Stereo (2 x BTL) and Mono (1 x PBTL) Operation
• Output Power at 10% THD+N
– 105-W Stereo into 4 Ω in BTL Configuration
– 112-W Stereo into 3 Ω in BTL Configuration
– 208-W Mono into 2 Ω in PBTL Configuration
• Output Power at 1% THD+N
– 88-W Stereo into 4 Ω in BTL Configuration
– 100-W Stereo into 3 Ω in BTL Configuration
– 170-W Mono into 2 Ω in PBTL Configuration
• 5-V Gate Drive or Built-in LDO for Optional Single-Supply Operation
• Closed-Loop Feedback Design
– Signal Bandwidth up to 100 kHz for High-Frequency Content From HD Sources
– 0.02% THD+N at 1 W into 4 Ω
– 60-dB PSRR (BTL, No Input Signal)
– <75-μV Output Noise (A-Weighted)
– >108-dB SNR (A-Weighted)
– AD or HEAD Modulation Schemes
• Low-Power Operating Modes
– Standby Modes: Mute and < 1 mA Shutdown
– Low Idle-Current HEAD Modulation Scheme
– Single-Channel BTL Operation
• Multiple Input Options to Simplify Pre-Amp Design
– Differential or Single-Ended Analog Inputs
– Selectable Gains: 18 dB, 24 dB, 30 dB, 34 dB
• Integrated Protection: Undervoltage, Overvoltage,Cycle-by-cycle Current Limit, Short Circuit,Clipping Detection, Overtemperature Warning andShutdown, and DC Speaker Protection
• 90% Efficient Class-D Operation (4 Ω)
• Pin-Compatible Family of Devices with Voltageand Power-Level Options
TPA3221应用:
• Wireless and Powered Speakers
• Soundbars
• Subwoofers
• Bookshelf Stereo Systems
• Professional and Public Address (PA) Speakers

图1.TPA3221功能框图

图2.TPA3221简化电路图

图3.TPA3221系统框图

图4.TPA3221差分(2N)AD模式BTL应用电路

图5.TPA3221差分(2N)AD模式PBTL应用电路(1)

图6.TPA3221差分(2N)AD模式PBTL应用电路(2)
TPA3221评估模块
This user ’s guide describes the characteristics, operation, and use of the TPA3221 evaluation module. A complete printed-circuit board (PCB) description, schematic diagram, and bill of materials are also included.

图7.TPA3221评估模块外形图

图8.TPA3221评估模块PCB外形图(顶层)

图9.TPA3221评估模块PCB外形图(底层)

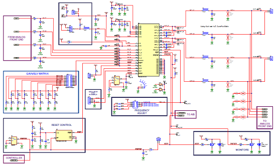
图10.TPA3221评估模块电路图(1)

图11.TPA3221评估模块电路图(2)

图12.TPA3221评估模块电路图(3)
TPA3221评估模块材料清单:




图13.TPA3221评估模块PCB顶层装配图

图14.TPA3221评估模块PCB底层装配图

图15.TPA3221评估模块PCB设计图(1)

图16.TPA3221评估模块PCB设计图(2)

图17.TPA3221评估模块PCB设计图(3)

图18.TPA3221评估模块PCB设计图(4)

图19.TPA3221评估模块PCB设计图(5)

图20.TPA3221评估模块PCB设计图(6)

图21.TPA3221评估模块PCB设计图(7)

图22.TPA3221评估模块PCB设计图(8)

图23.TPA3221评估模块PCB设计图(9)

图24.TPA3221评估模块PCB设计图(10)
|
|
| |
| |
|
|
|