|
铅酸电池和锂电池一样,不宜过充也不宜过放。但是锂电池使用时一般会配合保护板,实现过充放、短路等保护。但是铅酸电池一般是独立使用的,过充放就需要人为控制或者由负载内部的充放电电路进行保护。对电池进行充电时,一般会使用成品的充电器或充电管理芯片,充电器内部的电压采样已经充电管理芯片一般都会设计过充保护电路部分以及二次充电保护电路。所以,电瓶的使用过程中,往往是容易过放电的。下面我们来通过一个简单的电路,实现电瓶过放电的保护功能。

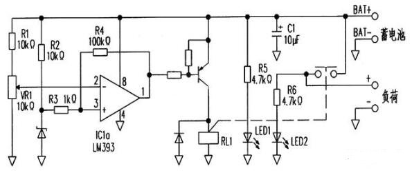
这个电路的结构比较简单,使用一个片常用的电压比较器芯片-LM393。这是一个双电压比较器芯片,在这个电路中使用了其中的一片。这个电路的工作原理是:蓄电池除了给负载部分供电外,还会给这个电路提供电源。电压比较器的同相输入端由电阻R2通过稳压二极管稳压,经过电阻R3提供基准电压,同时蓄电池电压会经过电阻R1以及可变电阻VR1的分压输入到电压比较器的反相输入端,这一路作为电池电压的检测,通过调节VR1使电压在放电保护电压。正常工作时,反相输入端的电压会高于同相输入端,比较器的输出端会输出低电平,驱动外接的PNP三极管导通,继电器线圈得电工作,常开触点闭合,蓄电池会给负载供电。
当电池电压过低时,反相输入端的电压会低于同相输入端,比较器的状态会发生翻转,输出由低电平变为高电平,三极管截止,继电器线圈失去电压,触点断开停止供电。这是这个电路的工作原理,也是电压比较器的基础应用。但是当电池电压随着放电降低时,会出现同相输入端与反相输入的电压相等的时刻,此时,电压比较器的判断处于临界值,输出的状态就会变得不稳定,表现为继电器的触点不断导通与断开;并且,电池在负载断开时,电压也会有所回升,同样会造成比较器输出状态的不稳定。为了避免这个问题的出现,加入的电R4。
当电池电压过低使比较器输出高电平时,输出的电压会经过电阻R4返回到同相输入端,此时同相输入端的电压就会提高,如果电池的电压有所回升,如果想让比较器输出状态发生翻转,就需要比欠压保护的电压值高。这样就使得欠压检测的电压与恢复电压产生了电压差,这个电压就是回差电压,或者称作迟滞。这样就有效避免了由于电压临界值所带来的问题。
铅酸电池充放电保护电路图(二)

|