返回主站 | 设为首页 | 加入收藏      
   
 
  首页 关于我们 产品展示 方案设计 技术分享 行业资讯 联系我们  
 
电源管理IC
同步DC-DC升压IC
异步DC-DC升压IC
锂电充电管理IC
5V USB输入两节/三节锂电池升压型充电管理IC
移动电源双向快充IC
电池管理系统(BMS监控IC)
降压型锂电充电管理IC
升降压型锂电充电管理芯片
内置快充协议的锂电充电管理IC
内置快充协议车载充电器SOC
内置快充协议(DFP)的同步DC-DC降压控制器IC
快充协议IC
恒压充电电压可调开关型充电管理芯片
带OVP过压保护功能的单节线性锂电充电IC
磷酸铁锂电池充电管理IC
铅酸电池充电管理IC
充满截止电压可调磷酸铁锂/锂电充电管理芯片
高输入电压3A大电流锂电充电管理IC
超级电容充电IC
DC-DC升降压IC
过压过流OVP保护IC
DC-DC降压IC
高输入电压DC-DC降压IC
USB限流开关芯片
高耐压LDO
功放IC
马达驱动IC/步进电机控制芯片
数模(DAC)/模数(ADC)转换芯片
智能处理器
音量控制IC
模拟开关IC
电容式触摸感应IC
RGB LED呼吸趣味灯驱动IC
音频CODEC IC
方案设计
电压电平转换器IC
运算放大器
I/O扩展器IC
 
名称:
种类:
类别:

业务洽谈:

联系人:张顺平 
手机:17727550196(微信同号) 
QQ:3003262363
EMAIL:zsp2018@szczkjgs.com

联系人:鄢先辉 
手机:17727552449 (微信同号)
QQ:2850985542
EMAIL:yanxianhui@szczkjgs.com

负责人联络方式:
手机:13713728695(微信同号) 
QQ:3003207580 
EMAIL:panbo@szczkjgs.com
联系人:潘波

 
当前位置:首页 -> 技术分享
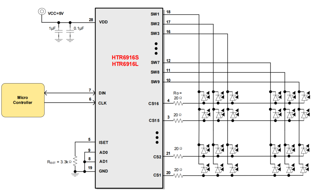
HTR6916S/HTR6916L 共阴极16x9阵列LED 驱动器
文章来源:永阜康科技 更新时间:2026/3/18 10:47:00
产品概况

HTR6916x是一款通过2线串行接口进行编程的支持16×9阵列的LED驱动芯片,每个LED都支持8位PWM数据进行独立调光。此外,可以通过ISET端的外部电阻设置全局电流。

HTR6916x的工作电压在2.7V到5.5V之间,并且关断电流和工作电流都非常小。HTR6916x支持QFN5×5-32L,QFN4x4-32L封装。

 

应用

家电、IOT设备、个人消费电子、键鼠等。

特点

  • 输入电压范围:2.7V-5.5V

  • 16路电流源(CS),9路开关(SW)

  • 外部RISET调整全局电流,及内部全局64个直流设置台阶

  • 独立的256阶PWM调光

  • 软件复位、欠压复位功能

  • 内置睡眠模式,实现低功耗待机

  • 过温保护功能、限温保护功能

  • 2线串行接口,简单快速控制灯

  • 消隐功能

  • QFN5×5-32L, QFN4×4-32L

    引脚图

         

HTR6916L(S) Top View

订购料号信息

典型应用图

HTR6916S Driving 16×9 LEDs

HTR6916S Driving 16×3 RGBs



 
 
 
    相关产品  
 
M12269 HT366 ACM8629 HT338 
深圳市永阜康科技有限公司 粤ICP备17113496号  服务热线:0755-82863877 手机:13242913995